Littelfuse 0495 Series Car Fuse
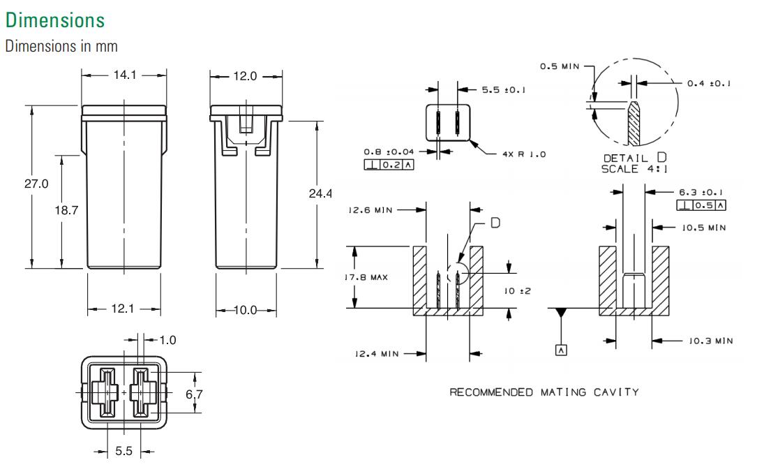
The JCASE? is a cartridge style fuse with female terminal design, providing both increased time delay and low voltage drop to protect high current circuits and handle inrush currents.
- Brand: Littelfuse
- Classification: Car Fuse
- Voltage: 32VDC
- Current: 20~60A
